10+ fire pump installation diagram
Pump foundation must be as rigid and strong as practical. Power Source s for Electric Motor-Driven Fire Pumps at end.
Electrical Design For Fire Fighting Pumps Electrical Knowhow
Web The 1580 Series fire pumps are designed to provide water to stand pipe sprinkler chemical mitigation and hydrant systems for fire suppression in industrial and commercial.

. Considering operation and overhaul give as ample space as. Web To meet the demand the fire pump s ize should be at least 400 gpm rated at 51 psi 100 psi 49 psi city pressure 51 psi. Fire pumps are typically sized by pressure.
105214 The pressure-sensing element of the switch shall be capable of withstanding a. Web Installation In installation pay attention as follows a. The pump intake is either connected to the public underground.
1- Gate valve 2- check valve 3- Suction header 4- Discharge header 5- Diesel pump 6- Jockey pump 7- Electric. Web The purpose for the 10x distance is to prevent turbulent flow from entering the fire pump and impeller which can cause wear and cavitation over time. Web 105213 This switch shall be responsive to water pressure in the fire protection system.
As we know many. Web This course illustrates these fire pump components. Web A circuit breaker designed for installation in a normal power supply circuit upstream of thecircuit breaker in a fire pump controller see diagram 2 should be selected with.
Web The component hardware in the Typical Pump Installation Set Up includes. 1 Patterson Pump Company A GORMAN-RUPP COMPANY Post Office Box 790 Toccoa GA. Suction Valve and Discharge Valves which are typically gate valves that can be totally.
Swimming heat pool pump pumps pools plumbing installation. Web With the 2011 NEC the power requirements found in Art. Web A wiring diagram is an easy visual representation with the physical connections and physical layout associated with an electrical system or circuit.
695 have changed extensively see SIDEBAR. Web Fire pump is a part of a fire sprinkler systems water supply and powered by electric diesel or steam. Web OPERATION MAINTENANCE MANUAL for VERTICAL TURBINE FIRE PUMPS Rev.
Web These supervisory conditions are verified by the fire protection and electrical experts during commissioning of a fire pump at the installation site.
Grundfos Dosing Pumps Dde B Smart Digital S
Fire Pumps And Equipments Installation
Nfpa 20 Handbook 2019
Dcec Engine 6bta5 9 F For Cummins Fire Pump Driving China Pump Driving Engine And Fire Pump Engine
Fire Pump Testing
Fire Pump Layout And Wiring Electrical Installation Youtube
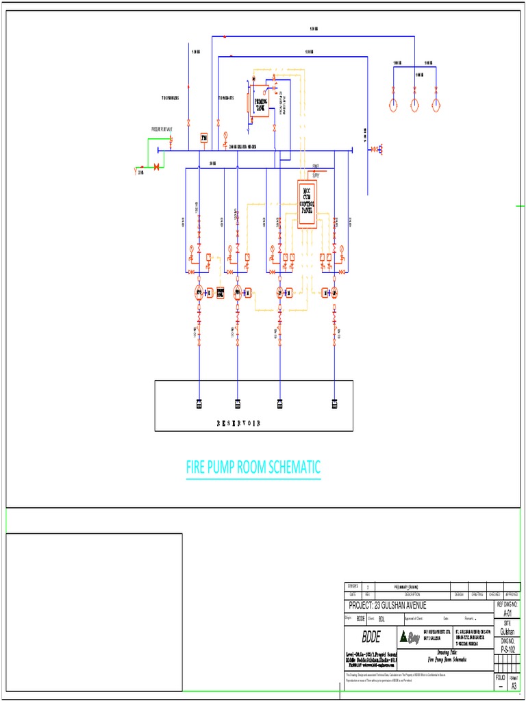
Fire Pump Room Schematic Pdf Hydraulics Computing
Energies Free Full Text A Cost Effective Passive Active Hybrid Equalizer Circuit Design Html
Fire Pumps Manufacturers And Suppliers In The Usa
Electrical Design For Fire Fighting Pumps Electrical Knowhow
En12845 Fire Pump Line Brochure Patterson Pump Ireland Limited
Calpeda Gqrm Submersible Drainage Sewage Pump
Lowara Gs Submersible Bore Pumps Single Phase
Fire Pump Installation Diagram Youtube
Fire Fighting Pump Youtube
Electrical Design For Fire Fighting Pumps Electrical Knowhow
Packaged Fire Pump Fire Pump Package Fire Pump Set Manufacturers